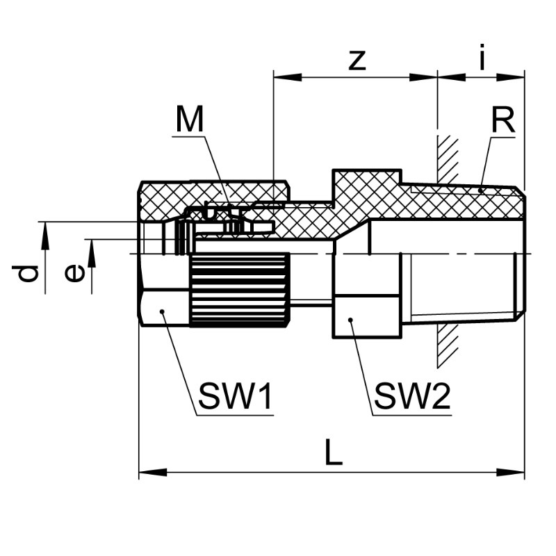
Gerade Einschraubverschraubung aus PVDF, Typ SO 21121
Verfügbarkeit: sofort
|
||||||||||||||||||||
|
Eigenschaften, Besonderheiten - einfache, schnelle Montage - grosse Sortimentsvielfalt - höchste Chemikalienbeständigkeit Anwendung Zur Verbindung von Kunststoffrohren und Schläuchen, besonders bei aggressiven Medien oder Umgebungen. Werkstoff Polyvinylidenfluorid PVDF zeichnet sich aus durch hohe Beständigkeit insbesondere gegen korrodierende Agentien und aliphatische, aromatische und chlorierte Kohlenwasserstoffe, Carbonsäuren, Alkohole, Mercaptane. Nicht widerstandsfähig ist PVDF gegen stark basische Amine, Alkalien und Alkalimetalle. Betriebsdruck PN: 10 bar bei +23°C (3-fache Sicherheit) Temperaturbereich -40°C bis +100°C sterilisierbar bis +121°C, Material kann sich bei höheren Temperaturen gelblich verfärben Anzuschliessende Rohre Toleranzhaltige Rohre und Schläuche mit sauberer Oberfläche und gleichmässiger Wandung. Kegelige Einschraubgewinde Zum Abdichten der Einschraubewinde empfehlen wir das PTFE Band AC 840/841 oder den Dichtstift «Plasto-Joint» AC 833. FDA-Konformität Polyvinylidenfluorid (PVDF) entspricht der CFR* 21,§ 177.2510 der FDA (Food and Drug Administration, USA) und kann für den Einsatz im Kontakt mit Lebensmittel verwendet werden. ** = für Rohre mit Wandung 1,5 mm * = mit reduziertem Klemmring |
|
|||||||||||||||||||
Hinweis:
Für diesen Artikel kann kein Gesamtpreis berechnet werden. Daher wird aus Ihrem Warenkorb eine Anfrage und Sie erhalten von uns schnellstens ein Angebot mit allen Preisangaben, bevor Sie verbindlich bestellen.
Hinweis:
Für diesen Artikel kann kein Gesamtpreis berechnet werden. Daher wird aus Ihrem Warenkorb eine Anfrage und Sie erhalten von uns schnellstens ein Angebot mit allen Preisangaben, bevor Sie verbindlich bestellen.
Hinweis:
Für diesen Artikel kann kein Gesamtpreis berechnet werden. Daher wird aus Ihrem Warenkorb eine Anfrage und Sie erhalten von uns schnellstens ein Angebot mit allen Preisangaben, bevor Sie verbindlich bestellen.
Hinweis:
Für diesen Artikel kann kein Gesamtpreis berechnet werden. Daher wird aus Ihrem Warenkorb eine Anfrage und Sie erhalten von uns schnellstens ein Angebot mit allen Preisangaben, bevor Sie verbindlich bestellen.
Hinweis:
Für diesen Artikel kann kein Gesamtpreis berechnet werden. Daher wird aus Ihrem Warenkorb eine Anfrage und Sie erhalten von uns schnellstens ein Angebot mit allen Preisangaben, bevor Sie verbindlich bestellen.
Hinweis:
Für diesen Artikel kann kein Gesamtpreis berechnet werden. Daher wird aus Ihrem Warenkorb eine Anfrage und Sie erhalten von uns schnellstens ein Angebot mit allen Preisangaben, bevor Sie verbindlich bestellen.
Hinweis:
Für diesen Artikel kann kein Gesamtpreis berechnet werden. Daher wird aus Ihrem Warenkorb eine Anfrage und Sie erhalten von uns schnellstens ein Angebot mit allen Preisangaben, bevor Sie verbindlich bestellen.
Hinweis:
Für diesen Artikel kann kein Gesamtpreis berechnet werden. Daher wird aus Ihrem Warenkorb eine Anfrage und Sie erhalten von uns schnellstens ein Angebot mit allen Preisangaben, bevor Sie verbindlich bestellen.
Hinweis:
Für diesen Artikel kann kein Gesamtpreis berechnet werden. Daher wird aus Ihrem Warenkorb eine Anfrage und Sie erhalten von uns schnellstens ein Angebot mit allen Preisangaben, bevor Sie verbindlich bestellen.
Hinweis:
Für diesen Artikel kann kein Gesamtpreis berechnet werden. Daher wird aus Ihrem Warenkorb eine Anfrage und Sie erhalten von uns schnellstens ein Angebot mit allen Preisangaben, bevor Sie verbindlich bestellen.
Hinweis:
Für diesen Artikel kann kein Gesamtpreis berechnet werden. Daher wird aus Ihrem Warenkorb eine Anfrage und Sie erhalten von uns schnellstens ein Angebot mit allen Preisangaben, bevor Sie verbindlich bestellen.
Hinweis:
Für diesen Artikel kann kein Gesamtpreis berechnet werden. Daher wird aus Ihrem Warenkorb eine Anfrage und Sie erhalten von uns schnellstens ein Angebot mit allen Preisangaben, bevor Sie verbindlich bestellen.
Hinweis:
Für diesen Artikel kann kein Gesamtpreis berechnet werden. Daher wird aus Ihrem Warenkorb eine Anfrage und Sie erhalten von uns schnellstens ein Angebot mit allen Preisangaben, bevor Sie verbindlich bestellen.
Hinweis:
Für diesen Artikel kann kein Gesamtpreis berechnet werden. Daher wird aus Ihrem Warenkorb eine Anfrage und Sie erhalten von uns schnellstens ein Angebot mit allen Preisangaben, bevor Sie verbindlich bestellen.
Hinweis:
Für diesen Artikel kann kein Gesamtpreis berechnet werden. Daher wird aus Ihrem Warenkorb eine Anfrage und Sie erhalten von uns schnellstens ein Angebot mit allen Preisangaben, bevor Sie verbindlich bestellen.
Hinweis:
Für diesen Artikel kann kein Gesamtpreis berechnet werden. Daher wird aus Ihrem Warenkorb eine Anfrage und Sie erhalten von uns schnellstens ein Angebot mit allen Preisangaben, bevor Sie verbindlich bestellen.
Hinweis:
Für diesen Artikel kann kein Gesamtpreis berechnet werden. Daher wird aus Ihrem Warenkorb eine Anfrage und Sie erhalten von uns schnellstens ein Angebot mit allen Preisangaben, bevor Sie verbindlich bestellen.
Hinweis:
Für diesen Artikel kann kein Gesamtpreis berechnet werden. Daher wird aus Ihrem Warenkorb eine Anfrage und Sie erhalten von uns schnellstens ein Angebot mit allen Preisangaben, bevor Sie verbindlich bestellen.
Hinweis:
Für diesen Artikel kann kein Gesamtpreis berechnet werden. Daher wird aus Ihrem Warenkorb eine Anfrage und Sie erhalten von uns schnellstens ein Angebot mit allen Preisangaben, bevor Sie verbindlich bestellen.
Hinweis:
Für diesen Artikel kann kein Gesamtpreis berechnet werden. Daher wird aus Ihrem Warenkorb eine Anfrage und Sie erhalten von uns schnellstens ein Angebot mit allen Preisangaben, bevor Sie verbindlich bestellen.
Hinweis:
Für diesen Artikel kann kein Gesamtpreis berechnet werden. Daher wird aus Ihrem Warenkorb eine Anfrage und Sie erhalten von uns schnellstens ein Angebot mit allen Preisangaben, bevor Sie verbindlich bestellen.
Hinweis:
Für diesen Artikel kann kein Gesamtpreis berechnet werden. Daher wird aus Ihrem Warenkorb eine Anfrage und Sie erhalten von uns schnellstens ein Angebot mit allen Preisangaben, bevor Sie verbindlich bestellen.
Hinweis:
Für diesen Artikel kann kein Gesamtpreis berechnet werden. Daher wird aus Ihrem Warenkorb eine Anfrage und Sie erhalten von uns schnellstens ein Angebot mit allen Preisangaben, bevor Sie verbindlich bestellen.
Hinweis:
Für diesen Artikel kann kein Gesamtpreis berechnet werden. Daher wird aus Ihrem Warenkorb eine Anfrage und Sie erhalten von uns schnellstens ein Angebot mit allen Preisangaben, bevor Sie verbindlich bestellen.
Hinweis:
Für diesen Artikel kann kein Gesamtpreis berechnet werden. Daher wird aus Ihrem Warenkorb eine Anfrage und Sie erhalten von uns schnellstens ein Angebot mit allen Preisangaben, bevor Sie verbindlich bestellen.
Hinweis:
Für diesen Artikel kann kein Gesamtpreis berechnet werden. Daher wird aus Ihrem Warenkorb eine Anfrage und Sie erhalten von uns schnellstens ein Angebot mit allen Preisangaben, bevor Sie verbindlich bestellen.
Hinweis:
Für diesen Artikel kann kein Gesamtpreis berechnet werden. Daher wird aus Ihrem Warenkorb eine Anfrage und Sie erhalten von uns schnellstens ein Angebot mit allen Preisangaben, bevor Sie verbindlich bestellen. |
|||||||||||||||||||||||||||||||||||||||||||||||||||||||||||||||||||||||||||||||||||||||||||||||||||||||||||||||||||||||||||||||||||||||||||||||||||||||||||||||||||||||||||||||||||||||||||||||||||||||||||||||||||||||||||||||||||||||||||||||||||||||||||||||||||||||||||||||||||||||||||||||||||||||||||||||||||||||||||||||||||||||||||||||||||||||||||||||||||||||||||||||||||||||||||||||||||||||||||||||||||||
SERTO: Vertrauen Sie auf unsere Präzision und Qualität für langlebige PVDF Ventile und Laborsverschraubungen |
|
SERTO ist ein renommiertes Unternehmen, das sich auf die Entwicklung, Produktion und den Vertrieb von Verbindungstechnik spezialisiert hat. Neben einem breiten Sortiment an Verbindungselementen bietet SERTO auch PVDF (Polyvinylidenfluorid) Ventile und Laborsverschraubungen an. PVDF Ventile sind eine spezielle Art von Ventilen, die aus dem Kunststoff PVDF hergestellt werden. PVDF ist ein robustes Material, das sich durch eine hohe Beständigkeit gegenüber Chemikalien, Korrosion und hohen Temperaturen auszeichnet. PVDF Laborventile werden häufig in anspruchsvollen industriellen Anwendungen eingesetzt, insbesondere in Bereichen, in denen aggressive Medien gehandhabt werden müssen. Die PVDF Ventile von SERTO zeichnen sich durch ihre hohe Qualität, Präzision und Zuverlässigkeit aus. Sie bieten eine ausgezeichnete Dichtheit und eine präzise Regelung des Medienflusses. Die Ventile sind in verschiedenen Ausführungen erhältlich, darunter Kugelhähne, Absperrventile und Rückschlagventile, um den Anforderungen unterschiedlicher Anwendungen gerecht zu werden. Laborsverschraubungen von SERTO sind speziell für den Einsatz in Laboren und analytischen Umgebungen konzipiert. Sie ermöglichen eine sichere und zuverlässige Verbindung von Rohren und Schläuchen in Laborequipment, wie beispielsweise Chromatographiesystemen oder Probenahmegeräten. Die Laborsverschraubungen von SERTO bieten eine einfache Montage und Demontage, eine hohe Dichtheit und eine gute Chemikalienbeständigkeit. SERTO legt großen Wert auf Qualität, Präzision und Zuverlässigkeit bei der Herstellung seiner PVDF Ventile und Laborsverschraubungen. Die Produkte werden nach strengen Standards gefertigt und unterliegen einer gründlichen Qualitätskontrolle, um eine hohe Leistungsfähigkeit und Langlebigkeit zu gewährleisten. SERTO ist international tätig und hat sich einen exzellenten Ruf in der Industrie erarbeitet. Das Unternehmen ist bekannt für seine innovativen Lösungen, die den Anforderungen der Kunden gerecht werden. SERTO bietet auch einen ausgezeichneten Kundenservice an, der individuelle Beratung und Unterstützung bei der Auswahl der richtigen Produkte umfasst. |
|
|
Ihre Wünsche, unsere Lösungen - Ein umfangreiches Lieferprogramm nach Maß. |
Partnerschaft auf höchstem Niveau |
|
|
|
|
|
|
|